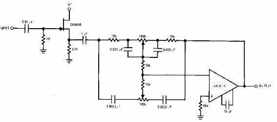
Este circuito del JFET Databook de National Semiconductor tiene una alta impedancia de entrada. FETs equivalentes, así como amplificadores operacionales, pueden ser utilizados. La fuente de alimentación debe ser simétrica.

Este circuito del JFET Databook de National Semiconductor tiene una alta impedancia de entrada. FETs equivalentes, así como amplificadores operacionales, pueden ser utilizados. La fuente de alimentación debe ser simétrica.
