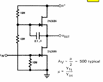
Este amplificador con FET es sugerido por el JFET Databook de National Semiconductor. Se pueden utilizar FET equivalentes con la ganancia cambiada de acuerdo con sus características. La tensión de alimentación puede oscilar entre 12 y 20 V.

Este amplificador con FET es sugerido por el JFET Databook de National Semiconductor. Se pueden utilizar FET equivalentes con la ganancia cambiada de acuerdo con sus características. La tensión de alimentación puede oscilar entre 12 y 20 V.
