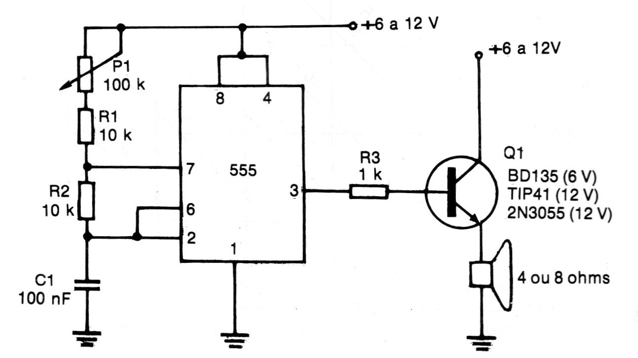
Este circuito tradicional con el 555 fue encontrado en una documentación de 1984. En este oscilador, la señal obtenida tiene mucha mayor intensidad, pudiendo ser aplicada a un altavoz u otro dispositivo semejante como, por ejemplo, un auricular de baja impedancia. Con una alimentación de 6 V obtenemos una potencia de aproximadamente 1 W y con una alimentación de 12 V esta potencia se aproxima a los 4 W, siendo entonces necesario montar el transistor en un buen radiador de calor. El tono es continuo y su frecuencia se ajusta en el potenciómetro. Para una pista diferente de frecuencias es sólo cambiar el capacitor. Para una alimentación de hasta 6 V se pueden utilizar transistores de media potencia con corrientes de colector (IC) típicamente entre 1 y 3 A, tales como los BD135, BD137, BD139, TIP29, TIP32, etc. Para una alimentación de 12 V se deben utilizar transistores con corrientes a partir de 6 A, como los TIP41, 2N3055, etc. El altavoz debe ser de 4 ó 8 ohms, capaz de soportar una potencia de al menos 10 watts.




