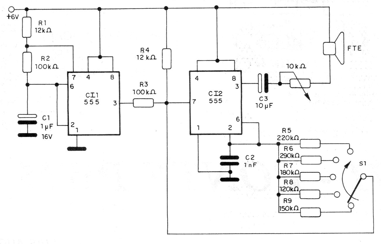
Este circuito genera 5 tonos diferentes seleccionables por la clave S1. Se pueden utilizar interruptores de presión separados para tener el accionamiento con tonos diferentes a partir de 5 puntos. El circuito es de una documentación de 1995 y su alimentación se realiza con una fuente de 6 V o pilas. El circuito tiene un altavoz de pequeña potencia, pero se puede utilizar un circuito amplificador externo.




