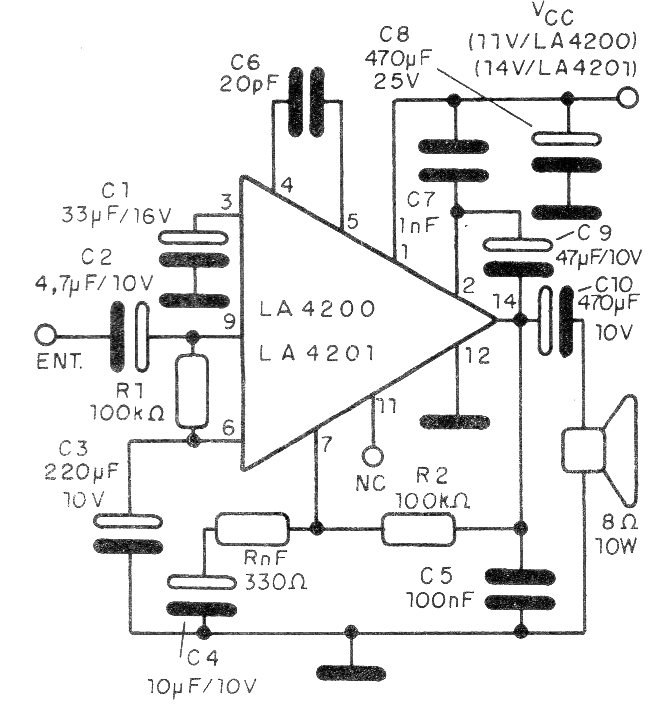
Este amplificador puede proporcionar potencias de 1,5 o 2,5 W según el circuito integrado utilizado. El circuito integrado no es muy común en nuestros días, pero en la época en que fue publicado el circuito (1992) era usado en equipos comerciales.
Este circuito es de Radio Electronics de abril de 1987. El circuito se alimenta con voltajes que...
Este circuito para señales de hasta 30 MHz puede mejorar su recepción en el rango de onda media y...
Encontrado en documentación estadounidense más antigua, este circuito puede monitorear 3 o más...