)
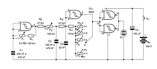
En la figura tenemos un órgano electrónico de juguete que puede tanto servir para divertir a los niños como base para un trabajo de ciencias en escuelas. La principal característica de este circuito es el efecto de vibrato que hace que la nota producida varía rápidamente, con un sonido bastante interesante que puede incluso ayudar a obtener algunas canciones simples. En este circuito, una primera puerta del 4093 (CI-1a) produce la modulación de baja frecuencia o efecto de vibrato, ajustado por el potenciómetro P1. Este es el potenciómetro de "velocidad del efecto". La profundidad de la modulación, o la variación del sonido se ajusta en el potenciómetro P2 de "profundidad" mientras que los ajustes de las notas individuales se realiza en el conjunto de trimpots que van desde P3 a Pn. El número "n" de potenciómetros no puede ser muy grande, pues es difícil hacer su ajuste. recomendamos que el órgano tenga sólo una octava. El sistema de teclado sugerido es por punta de prueba. Una punta toca en áreas de metal o cubiertas de una placa que corresponden a las notas musicales. El transductor usado es del tipo piezoeléctrico para mayor economía. Sin embargo, se puede agregar un pequeño amplificador que excite un altavoz, en cuyo caso se obtiene mayor volumen. El conjunto cabe en una pequeña caja de madera o plástico con el teclado y controles en su parte superior. La alimentación se puede realizar con pilas o fuentes. La fuente debe tener un buen filtrado para que no se produzcan roncos en la reproducción. Para utilizar es sólo ajustar el efecto y tocar las teclas con la punta de prueba. Dos circuitos similares a éste pueden ser usados ??para obtener un órgano polifónico, es decir, en que dos teclas pueden ser tocadas al mismo tiempo.




