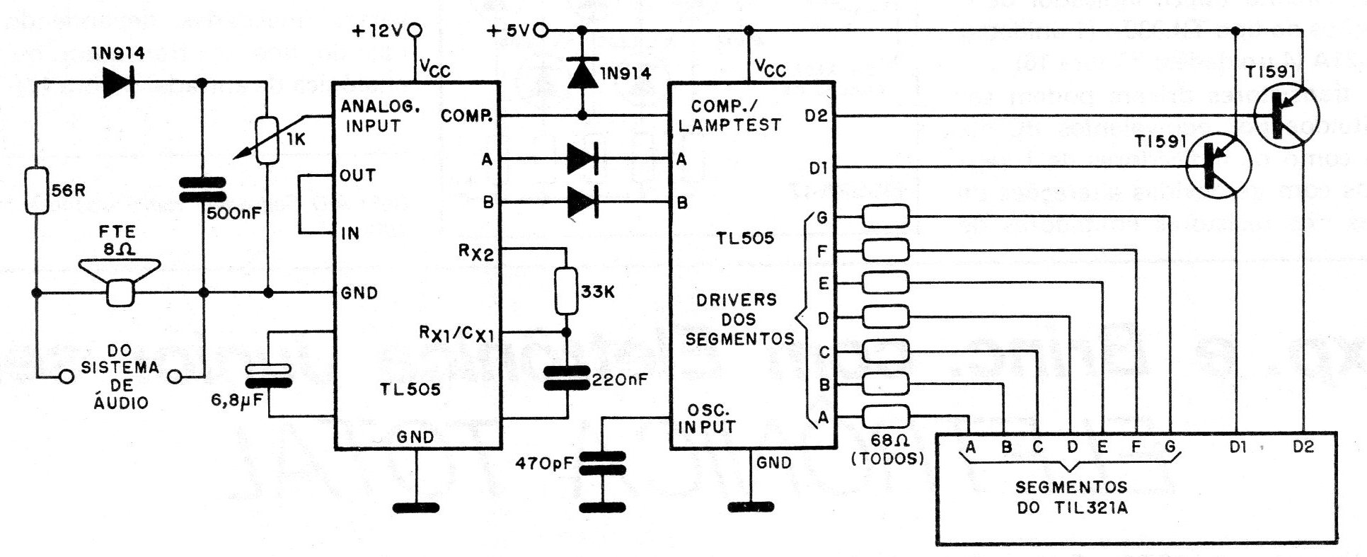
La base de este circuito es el convertidor A / D TL505 que alimenta un indicador tipo TIL 321A (Texas). Como podemos ver, este circuito trabaja con el reloj interno, dado por el capacitor de 470 pF en el TL502.
Se presenta una prueba simple de transistores NPN y PNP que, además de decir si el componente está bien,...
Si usted necesita un circuito para producir un tono continuo en un bocadillo o cápsula...
Cuando un pulso de luz incide en el LDR, este circuito dispara un temporizador monoestable 555 que acciona...