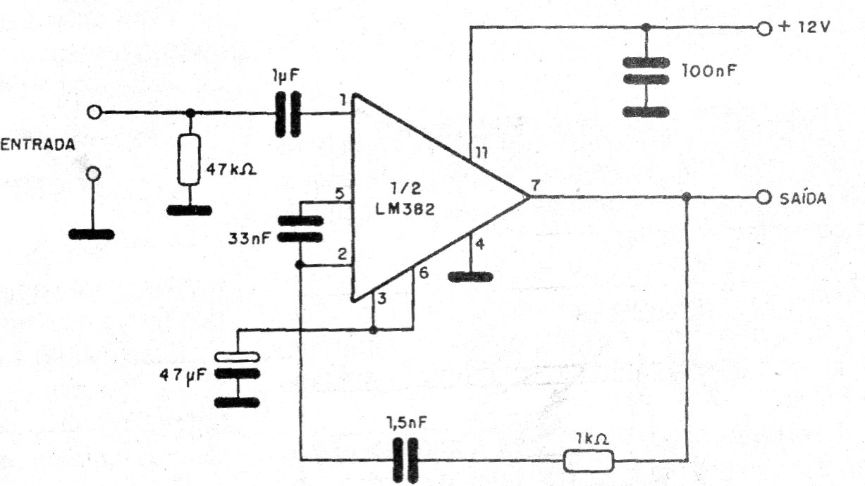
El circuito integrado utilizado en este preamplificador no es común en nuestros días, pero su calidad de sonido es excelente. La impedancia de entrada es de 47 k ohms y la ecualización es RIAA. El circuito es sugerido por National Semiconductor que ahora es una empresa de Texas Instruments. En la figura se muestra sólo un canal de un sistema estéreo.




