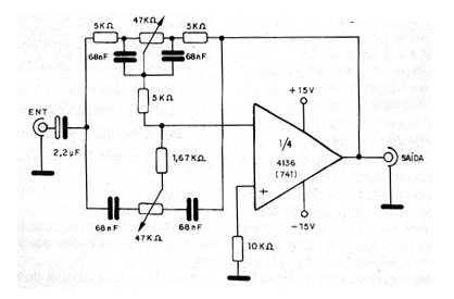
La base de este circuito es 1/4 de un circuito integrado 4136 que en realidad consiste en un cuádruple 741. Podemos usar el 741 para una versión mono o el original para una versión estéreo. La alimentación debe ser simétrica de 15 V y como se trata de un circuito de audio, sensible a los roncos, se recomienda el máximo cuidado con el diseño y las conexiones de entrada y salida de las señales.




