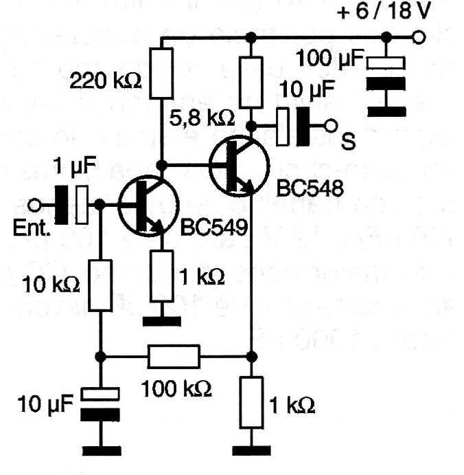
Sólo dos transistores se utilizan en este preamplificador para transductores poco sensibles, como captadores de guitarra y guitarras, micrófonos y otras aplicaciones de audio. La alimentación puede ser retirada del propio equipo con el que va a operar, ya que la corriente requerida es de pocos miliamperios no afectando así su funcionamiento. Los cables de entrada de señales deben ser cortos o blindados, y el transistor BC549 es recomendado por su bajo nivel de ruido. El nivel de la señal de salida llega a los 1 Vpp para una señal de entrada de 100 uV.




