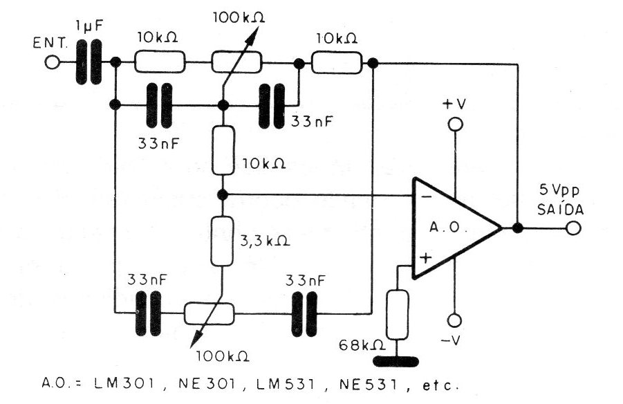
El control de tono de la figura siguiente puede ser implementado prácticamente con cualquier amplificador operacional. La fuente de alimentación debe ser simétrica y los potenciómetros lineales. La tensión de alimentación puede oscilar entre 6 y 15 V, de acuerdo con el amplificador operacional utilizado.




