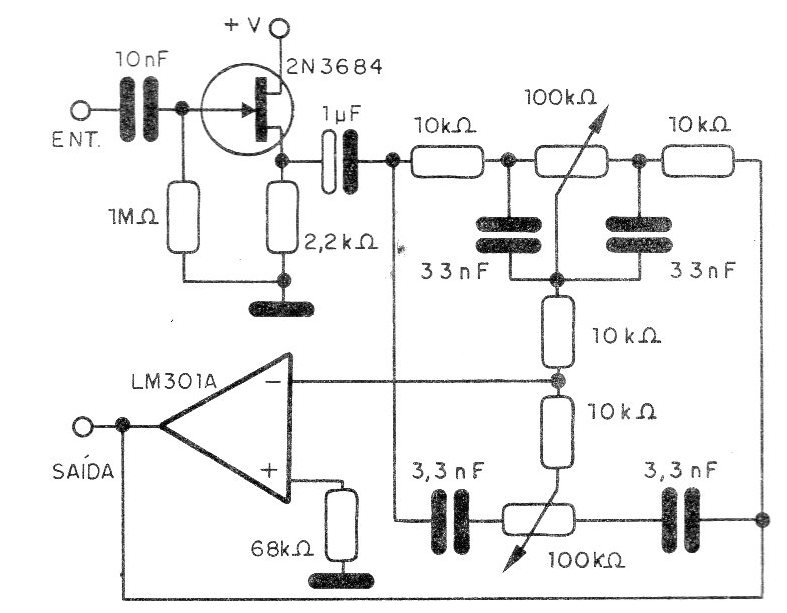
Este circuito, sugerido por National Semiconductor es un control de tono (graves y agudos) con alta impedancia de entrada y tiene como base un FET y un amplificador operacional. En la figura tenemos el diagrama completo del aparato, que usa potenciómetros lineales de 100 k ohms. El transistor de efecto de campo admite el equivalente, y una de las características más importantes del circuito es el bajo ruido.




