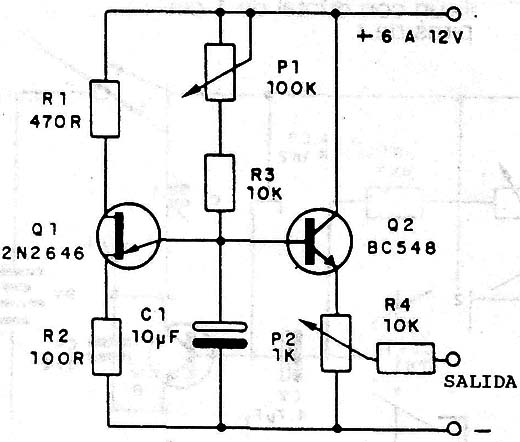
Este circuito puede usarse como base para un trémolo, vibrato, sirena y también para la producción de pulsos con intervalos. La frecuencia de los pulsos se regula con P1 y su intensidad con P2. C1 determina la banda de frecuencias producidas.

Modulador Unijuntura



