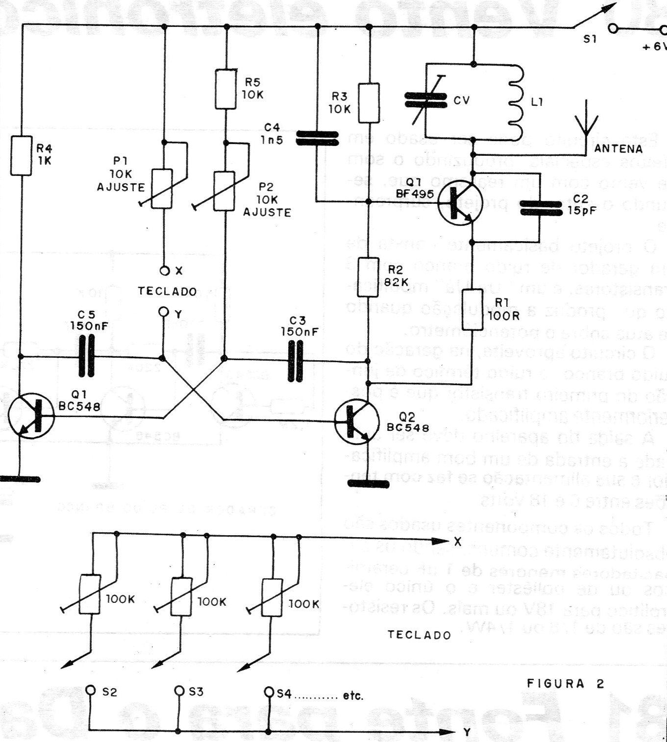
Este órgano electrónico inalámbrico se obtuvo en una documentación de 1987. Transmite los sonidos a un receptor de FM colocado cerca. Los ajustes se hacen en los potes y en el teclado hay trimpots individuales para la afinación. El circuito puede ser alimentado por tensiones de 6 a 9 V y la bobina consta de 4 espiras de hilo 26 o 24 en forma de 1 cm sin núcleo. El trimmer es común de 30 pF o menos.




