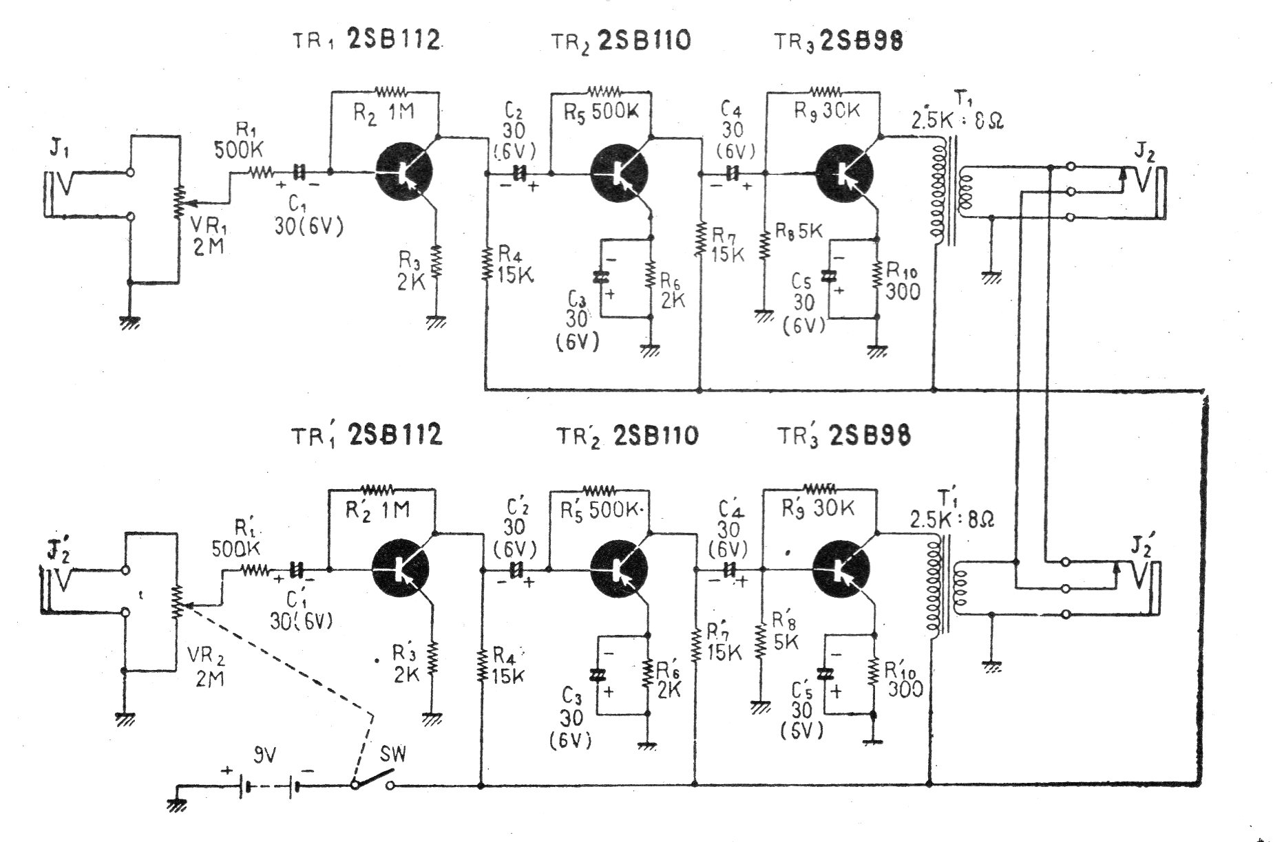
Este circuito hace uso de transistores de germanio, proporcionando una potencia de fracción de watt. Fue encontrado en una antigua publicación argentina de 1973 siendo de modelo comercial usado en tocadiscos alimentados por pilas. El circuito utiliza transformadores de salida que se pueden encontrar en aparatos de este tipo de época. El circuito vale mucho más como referencia para la recuperación de un equipo antiguo o incluso de sus componentes.




