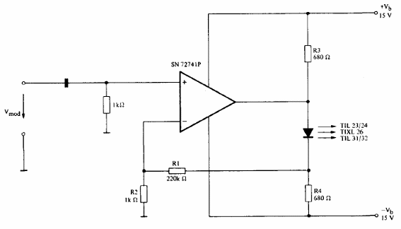
El circuito mostrado es de una documentación de optoelectrónicaTexas Instruments. La señal de entrada es de audio y se pueden utilizar los LED equivalentes. También se pueden utilizar otros operacionales.

El circuito mostrado es de una documentación de optoelectrónicaTexas Instruments. La señal de entrada es de audio y se pueden utilizar los LED equivalentes. También se pueden utilizar otros operacionales.
