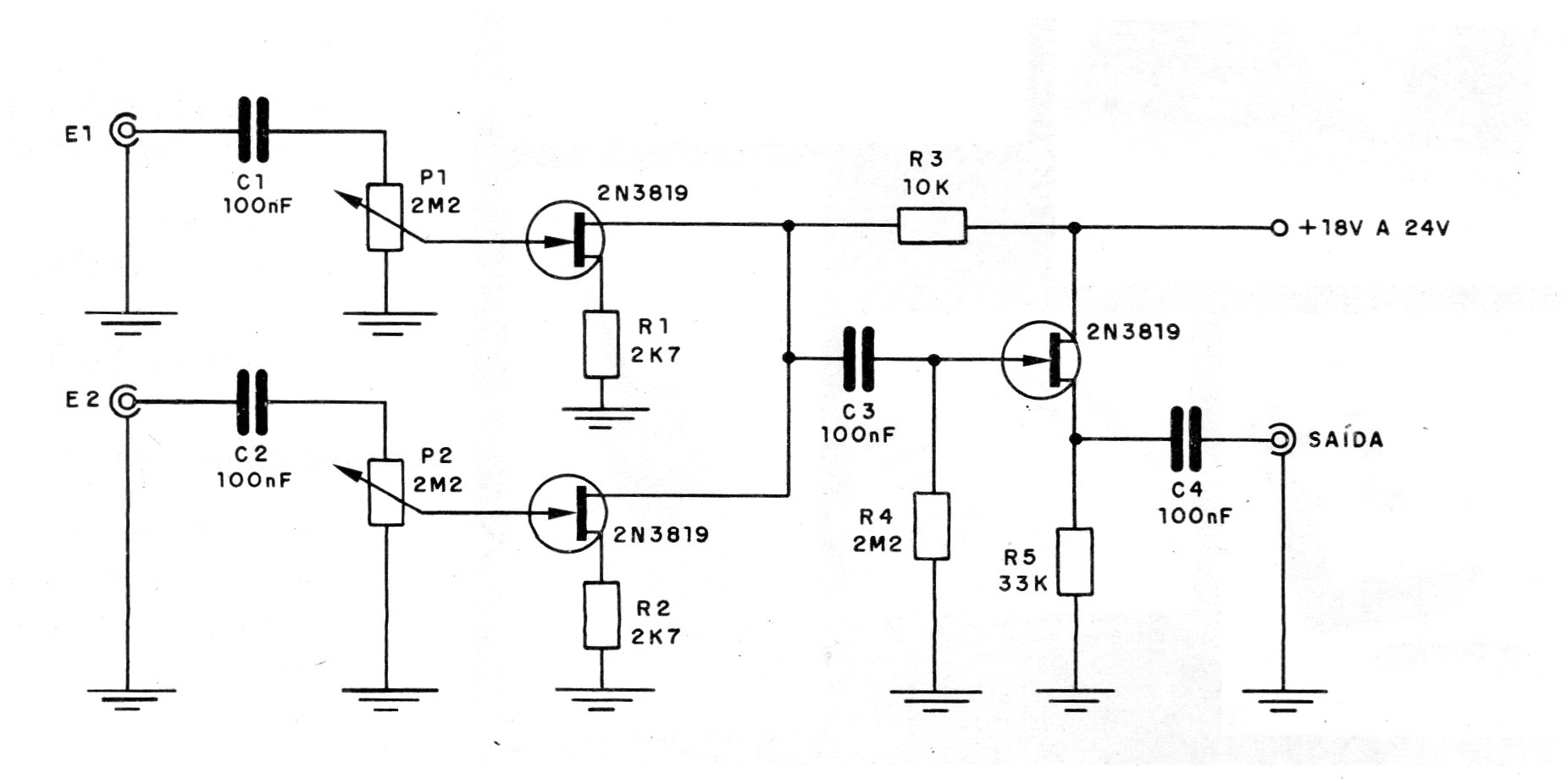
En la aplicación original de este circuito, de una documentación de 1985, sólo tenemos dos entradas. Sin embargo, más entradas se pueden agregar. El circuito debe ser alimentado por tensión de 18 a 24 V y tiene bajo consumo. Los cables de entrada y salida de señales deben ser blindados.




