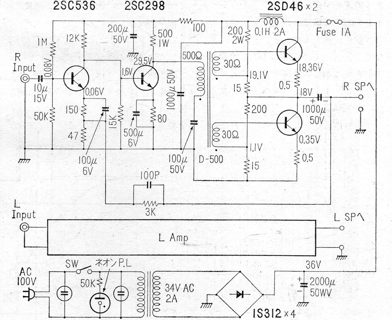
En la figura tenemos uno de los canales y la fuente de un buen amplificador estéreo de 20 W por canal de la década de 60. El circuito utiliza transistores de la época y un transformador controlador se utiliza para proporcionar la inversión de fase. El otro canal es idéntico.




