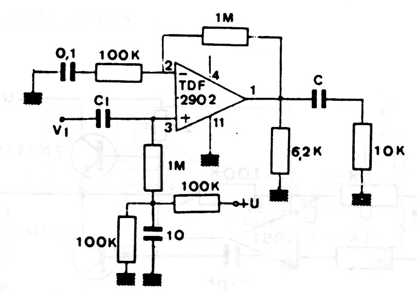
Este circuito se obtuvo en una antigua documentación europea. El circuito integrado utilizado es poco común actualmente, pero la configuración es válida para otros operacionales. Observe que la fuente no es simétrica. Su tensión depende del funcionamiento y de la aplicación.




