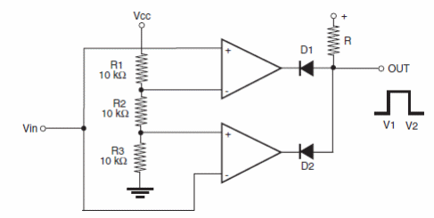
Este circuito proporciona una tensión de salida cuando la tensión de entrada está en el rango entre V1 y V2 determinada por los resistores de entrada. Los comparadores se pueden hacer con operacionales comunes o pueden ser los LM339 o equivalentes. La alimentación debe realizarse con una tensión mayor que la de la pista detectada.




