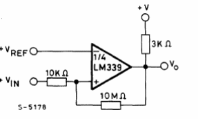
Esta es la configuración básica de muchos manuales del LM339, como comparador con histéresis. La fuente no necesita ser simétrica. El circuito es del manual de circuitos integrados lineales de la SGS de 1982.

Esta es la configuración básica de muchos manuales del LM339, como comparador con histéresis. La fuente no necesita ser simétrica. El circuito es del manual de circuitos integrados lineales de la SGS de 1982.
