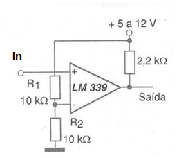
Los comparadores de tensión, como los de la serie LM139 / 239/339, consisten en dispositivos que pueden utilizarse con ventajas como elementos de interfaz de circuitos con el puerto paralelo de un PC o la salida de un microprocesador. En la figura mostramos el modo más simple de hacer, esto resistores fijos en la polarización de entrada.




