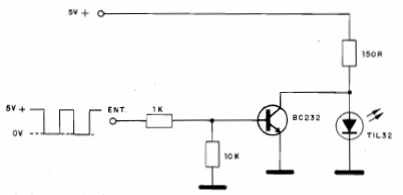
Con el circuito mostrado es posible modular un LED para la transmisión de datos de un microcontrolador o un circuito TTL. El transistor puede sustituirse por equivalente como el BC548 o incluso el 2N2222. Se hace la fuente de alimentación de 5 V y el LED de infrarrojos de cualquier tipo. El circuito puede utilizarse en un enlace de corto alcance o de transmisión por fibra óptica o directa de emisiones. Ver sensores de circuitos anteriores.




