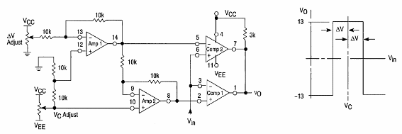
Este circuito hace uso de comparadores y operacionales comunes, habiendo sido encontrado en el Linear Interfaz IC de Motorola de 1993. El circuito requiere una fuente simétrica.

Este circuito hace uso de comparadores y operacionales comunes, habiendo sido encontrado en el Linear Interfaz IC de Motorola de 1993. El circuito requiere una fuente simétrica.
