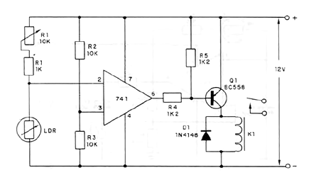
Este circuito acciona un relé cuando la luz deja de incidir en el sensor. Puede ser utilizado como una alarma de paso produciendo un pulso por el relé o como interruptor crepuscular. La fuente de alimentación no necesita ser simétrica y su tensión debe ser de acuerdo con el relé utilizado. El ajuste del punto de disparo se realiza en el potenciómetro de 10 k. Para mayor sensibilidad monte el LDR en un tubo con lente y aumente el trimpot a 100k. Se pueden utilizar otros operacionales.




