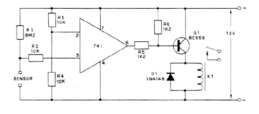
El sensor puede ser formado por electrodos enterrados o incluso pantallas de metal con un tejido entre ellas. La resistencia R1 determina la sensibilidad, pudiendo tener valores típicamente entre 100k y 8,2 M. Los valores más altos implican en mayor sensibilidad. La tensión de alimentación debe elegirse según el relé y no se debe utilizar una fuente simétrica. El relé tiene una bobina de un máximo de 50 mA y amplificadores operacionales y se pueden emplear comparadores equivalentes.




