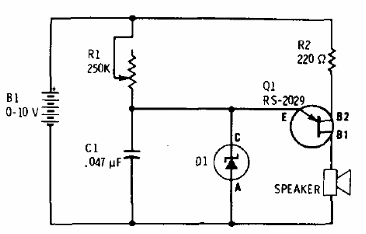
Este circuito entra en funcionamiento produciendo un sonido en un pequeño altavoz cuando la tensión de alimentación cae a un valor por debajo de la tensión del zener. El circuito funciona con tensiones en el rango de 9 a 15 V. El transistor unijuntura puede ser el 2N2646.




