Si modulamos un haz de luz de un LED, por ejemplo, podemos recibir este haz de luz a distancia y convertirlo de nuevo en sonido. Esta es la base de un sistema de comunicaciones ópticas. El proyecto que sigue es para un receptor, el cual debe tener su salida conectada a la entrada de cualquier buen amplificador. Se puede utilizar cualquier fotodiodo y el alcance dependerá de la intensidad de la señal transmitida y de la existencia de recursos ópticos, como lentes.
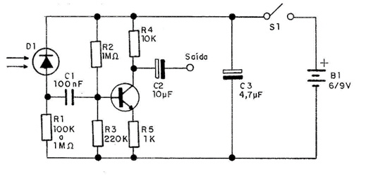
La fijación del fotodiodo en el foco de un telescopio, por ejemplo, permite ampliar el alcance a más de 1 km en condiciones de visibilidad favorables y de noche. En la figura tenemos el esquema completo del receptor. El bajo consumo de corriente permite el uso de pilas o pilas en su fuente de alimentación.

D1 – fotodiodo – cualquier
Q1 – BC548 – transistor NPN
R1 – 100k a 1 M ohm – resistor
R2 – 1 M ohm – resistor
R3 – 220 k ohm – resistor
R4 – 1 k ohm – resistor
C1 – 100 nF – capacitor cerámico o poliéster
C2 – 10 uF – capacitor electrolítico
C3 – 4,7 uF – capacitor electrolítico
B1 – 6 o 9 V – pilas o batería
Diversos:
Placa de circuito impreso, etc.



