Esta pequeña radio para la banda AM utiliza dos transistores en la configuración de Darlington, con suficiente potencia para alimentar un pequeño altavoz. La radio es alimentada por 2 o 4 pilas y tiene buena sensibilidad.
Si bien las transmisiones de ondas medias deban terminar pronto, todavía existen muchas estaciones operando en esta franja, principalmente en las pequeñas ciudades.
El receptor que describimos tiene finalidad tanto didáctica como recreativa, pudiendo aprovechar componentes de chatarra.
Se trata de un montaje ideal para un curso de iniciación a la electrónica.
En este circuito tenemos un Darlington, con una ganancia de más de 10 000 veces para la señal.
La señal de este transistor se aplica a un transistor de potencia, con una buena intensidad de señal para el altavoz.
Con ello, antenas pequeñas se pueden utilizar para la captura de estaciones locales.
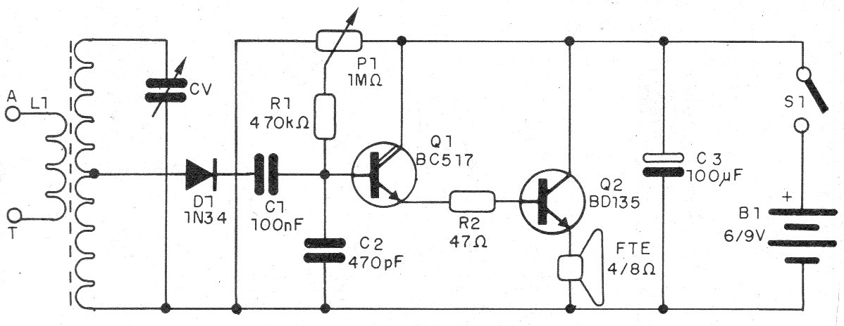
En la figura 1 tenemos el diagrama completo del receptor de dos transistores para el rango de ondas medias.
Como se trata de montaje didáctico sugerimos el uso de un puente de terminales, si bien una versión en matriz de contactos también puede ser adoptada.
La disposición de los componentes para el caso del puente de terminales se muestra en la figura 2.
La bobina se enrolla en un bastón de ferrita que se puede aprovechar de una vieja radio transistorizada fuera de uso.
L1 consta de 20 espiras de hilo esmaltado 28 a 30 y L2 de 30 + 70 espiras del mismo hilo, como muestra la figura.
El capacitor variable se puede aprovechar de una radio fuera de uso, así como el pequeño altavoz y hasta algunos otros componentes.
Los resistores son de 1/8 W con cualquier tolerancia y los capacitores según la lista de materiales.
Para probar, conecta una antena (pedazo de cable de 2 a 5 metros) y la conexión a tierra, ajustando CV y P1 para la mejor recepción.
Como el consumo de esta radio es mayor, sugerimos el uso de una pequeña fuente de al menos 300 mA.
Lista de material
Q1 - BC517 - transistores NPN Darlington
Q2 - BD135 - transistores NPN de media potencia
D1 - 1N34 o equivalente - diodo de germanio
L1, L2 - Bobinas - ver texto
CV - capacitor variable - ver texto
S1 - Interruptor simple
B1 - 3 o 6 V - 2 o 4 pilas pequeñas
FTE - 4 ó 8 ohms - altavoz pequeño
P1 - 1 M ohms - potenciómetro
R1 - 470 k ohms - resistor - marrón, negro, amarillo
R2 - 47 ohms - resistor - amarillo, violeta, negro
C1 - 100 nF - capacitor de cerámica
C2 - 470 pF - capacitor de cerámica
C3 - 100 uF x 6 V o más - capacitor electrolítico
Varios:
Puente de terminales, caja para montaje, soporte de pilas, hilos, soldadura, etc.





