Este es un circuito que le permite conectar un motor de corriente continua a partir de un simple toque en un sensor. El aparato puede ser usado como alarma o en dispositivos de automatización, resultando en 'en interesantes proyectos de robótica. El sistema opera con motores de corriente continua de 3 a 12 V con corriente hasta 1 A.
El sistema que proponemos acciona con un simple toque y permanece accionado incluso después de retirar los dedos del sensor.
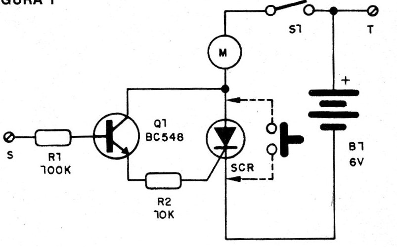
Para apagar el motor, es necesario cortar la alimentación, lo que puede hacerse a través de la llave de interrupción general (Sl) oa través de un interruptor de presión conectado en paralelo con el SCR.
El sistema, además de ser simple, pues utiliza sólo 4 componentes, tiene excelente sensibilidad, pudiendo servir de alarma de toque.
La versión básica puede funcionar con tensiones de 6 a 12 V y corrientes de hasta 1 A, pero pequeñas modificaciones permiten la ampliación de este rango de operación.
COMO FUNCIONA
El terminal T debe ser conectado a tierra en este circuito, proporcionando así un retorno a la corriente de disparo.
Cuando tocamos en el elemento sensor (S), una corriente circula entre T y este elemento, de tal modo a polarizar en el sentido directo a la unión base / emisor de Q1, que conduce.
La corriente resultante en el emisor de Q1 es más intensa que la corriente de base, pues a ella se suma la corriente de colector, en una proporción que depende de la ganancia del transistor.
Tenemos, así, una buena corriente para el disparo del SCR.
El SCR utilizado es extremadamente sensible, lo que significa una facilidad enorme para el disparo a partir de la corriente de Q1.
Una vez disparado, el SCR alimenta el motor, que así permanece indefinidamente, hasta que se corte la alimentación.
Observamos que los SCRs presentan una de la tensión del orden de 2 V cuando conducen la corriente.
Esta caída debe ser compensada en la alimentación.
Así, si el motor es de 3 V debemos hacer la alimentación con 5 o 6 V y si el motor es de 6V será necesario alimentar el circuito con 8 o 9V.
Y si el motor es de 12 V debemos alimentar el circuito con 14 V o 15 V.
MONTAJE
Comenzamos por dar el diagrama completo del aparato en la figura 1.
El montaje, en un puente de terminales, se muestra en la figura 2.
Si la corriente del motor es superior a 500 mA, el SCR debe estar dotado de un radiador de calor.
Los resistores pueden ser de 1/8, 1/4 o incluso, ½ W, importando solamente el valor, que tampoco es crítico.
Así, R1 puede tener valores entre 47 y 220 k, mientras que R2 puede tener valores ente 2k2 y 22k.
Es importante observar la conexión a tierra, que puede ser hecha en cualquier objeto de metal en contacto con el suelo, como por ejemplo un grifo o una escuadra de puerta o ventana.
La polaridad del motor debe ser observada si es importante el sentido de rotación del motor.
PRUEBA Y USO
Alimente el circuito con pilas pequeñas si el motor requiere corrientes de hasta 200 mA.
Como sensor utilice una plaquita de metal, no mayor que 20 x 20 cm entre y para alimentación, utilice pilas medias o grandes, y para más de 500 mA utilice batería o fuente.
LISTA DE MATERIAL
O1 - BC548 o equivalentes - transistores NPN de uso general
SCR - MCR106 o TIC106 a 50 V o más - SCR
M - motor de hasta 1A de 3 a 12 V
S1 - interruptor simple
B1 - batería de 6 a 15 V según motor - ver texto
R1 - 100 k - resistor (marrón, negro, rojo)
R2 - 10 k - resistor (marrón, negro, naranja)
Varios: puente de terminales, caja para montaje, sensores, hilos, soldadura, soporte para pilas, etc.





