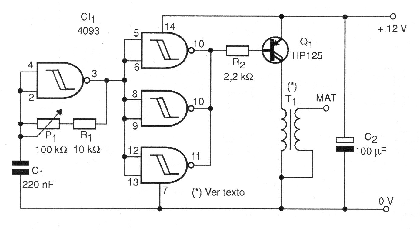
Utilizando una bobina de encendido de coche o incluso un transformador "fly back" de TV el circuito de la figura puede generar tensiones entre 7 000 y 30 000 voltios para experimentos con altas tensiones y cargas estáticas.
El circuito consiste en un inversor en el que el control de la frecuencia que proporciona mayor rendimiento se realiza en P1.
El transistor debe estar dotado de un buen radiador de calor y la alimentación debe provenir de una fuente con al menos 1 A de capacidad de corriente.
En el caso de usar un fly back para T1, debe ser del tipo con núcleo expuesto para que podamos enrollar el primario como muestra la figura.

Este primario está formado por 10 a 15 espiras de hilo común 22 con capa plástica. El máximo cuidado debe ser tomado en el manejo del aparato pues los choques producidos en caso de contacto accidental con el terminal de MAT es muy desagradable. Nunca utilice fuentes sin transformador y siempre tenga cuidado con eventuales partes del circuito que estén expuestas. Se recomienda su montaje en una caja de madera o plástico. Para usar, ajuste P1 para obtener la máxima tensión de salida lo que puede ser constatado, acercándose al terminal de salida una lámpara fluorescente.
Lista de material
CI-1 - 4093 - circuito integrado CMOS
Q1 - TIP125 - transistores Darlington PNP
T1 - Bobina de encendido de coche o transformador flyback de TV
P1 - 100 k ohms - potenciómetro
R1 - 10 k ohms x 1/8 W - resistor - marrón, negro, naranja
R2 - 2,2 k ohms x 1/8 W - resistor - rojo, rojo, rojo
C1 - 220 nF - capacitor de cerámica o poliéster
C2 - 100 uF x 25 V - capacitor electrolítico
Varios:
Fuente de alimentación, placa de circuito impreso, caja para montaje, botón para el potenciómetro, hilos, soldadura, etc.




