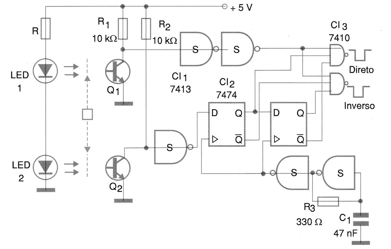
El circuito mostrado en la figura 1 puede ser usado en sistemas de automatización que requieren el reconocimiento del sentido de movimiento de una pieza o de un disco codificador (encoder).
Se utilizan dos LED emisores conectados en serie con un solo resistor limitador (R) que depende de la corriente requerida. Sin embargo, otras configuraciones excitadoras pueden ser empleadas, incluso con tensiones de alimentación mayores.
Los sensores son foto-transistores que excita circuitos integrados de tecnología TTL. La salida consta de pulsos en el nivel bajo cuya presencia depende del sentido del movimiento del circuito. El resistor de 330 ohms y el capacitor de 47 nF forman una configuración monoestable que determina el tiempo de reconocimiento del movimiento.
Como el circuito es implementado como parte de otros proyectos y los puertos usados pueden ser intercambiados, principalmente en el caso del 7413 y 7410, la placa no es dada, quedando por cuenta del lector elaborarla según el layout que le sea más favorable. De la misma forma, los flip-flops del 7474 pueden ser intercambiados, facilitando así el diseño de una placa.
LISTA DE MATERIAL
CI-1 - 7413 - circuito integrado TTL
CI-2 - 7474 - circuito integrado TTL
CI-3 - 7410 - circuito integrado TTL
LED1, LED2 - LEDs comunes - ver texto
Q1, Q2 - foto-transistores comunes
R - ver texto - resistor
R1, R2 - 10 k ohms x 1/8 W - resistores
R3 - 330 ohms x 1/8 W - resistor
C1 - 47 nF - capacitor de poliéster o cerámico
Varios:
Placa de circuito impreso, hilos, soldadura, etc.




