No es necesario hablar de la utilidad de un inyector de señales para los que saben cómo usar este instrumento. Usted puede tener un buen inyector de señales con pocos componentes y la placa de circuito dada en este artículo.
Describimos el montaje de un inyector de señales simple, con sólo dos transistores y que funciona tanto con 1 como con 2 pilas pequeñas.
Un multivibrador asequible que oscila en la pista de audio posee armónica que se extienden hasta las bandas de las altas frecuencias, lo que permite su utilización en radio.
La calibración, el ajuste y la búsqueda de defectos en los más diversos aparatos electrónicos se pueden hacer con la ayuda de este instrumento.
El circuito prevé la utilización de cualquier tipo de transistor NPN de silicio de uso general.
MONTAJE
El circuito completo se da en la figura 1 y en realidad los componentes no son críticos.

El capacitor C1 puede tener valores entre 15 y 47 nF, mientras que los resis tores R1 y R4 pueden quedar entre 3k3 y 6k8. Los resistores R2 y R3 pueden tener valores entre 47 k y 150 k y el capacitor C3 puede tener valores entre 4n7 y 22 nF.
Los tipos cerámicos o de poliéster se pueden utilizar para los capacitores y los resistores pueden ser de 1/8 o ¼ W.
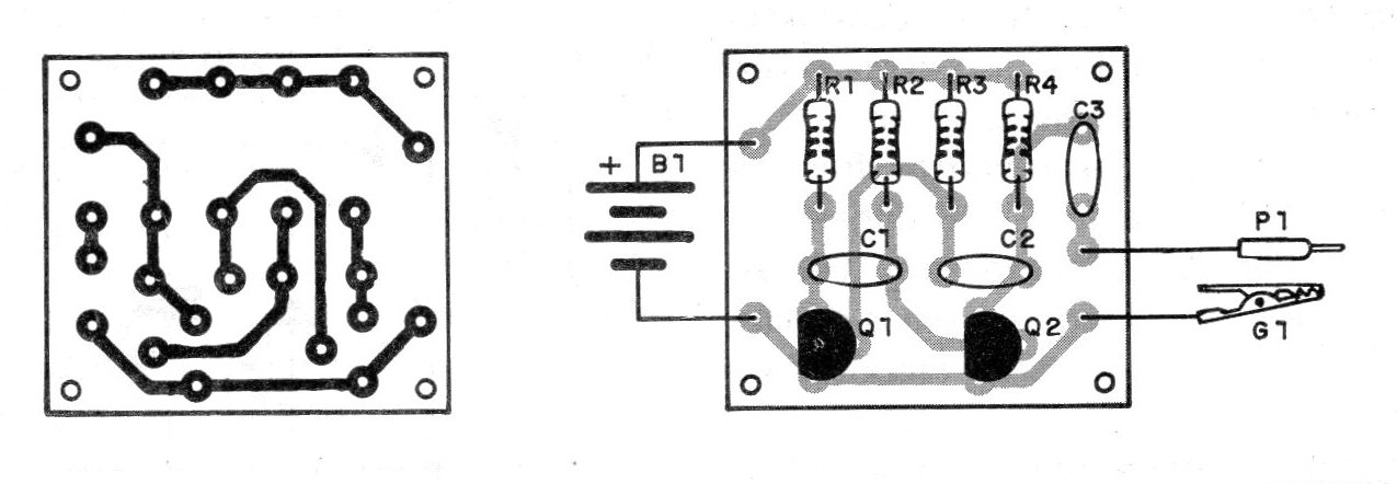
La placa de circuito impreso, compacta, se muestra en la figura 2.
La punta del arma es un clavo común pequeño que se puede soldar directamente en la placa.
En la figura 3 sugerimos la instalación sobre una base de cartón grueso o madera que será instalada en una caja de plástico.
Las pilas se sujetan con un elástico y el interruptor general es optativo.
Para conectar las pilas basta con colocarlas en el soporte. El consumo de la unidad es muy bajo, lo que garantiza una gran durabilidad incluso si dejamos la unidad encendida por horas seguidas.
PRUEBA Y USO
Para probar el inyector basta con aplicar su señal en la entrada de cualquier amplificador de audio.
Para usar debemos conectar la garra en la masa o tierra del aparato probado y aplicar la punta de prueba en la entrada y salida de cada paso, cuando entonces debe haber la reproducción de sonido.
LISTA DE MATERIAL
Q1, Q2 - BC548 o cualquier NPN de silicio de uso general
C7, C2 - 22 nF - capacitor de cerámica o de poliéster (223)
C3 - 10 nF - capacitor de cerámica o poliéster (103)
R1, R4 - 4k7 - resistor (amarillo, violeta, rojo)
R2, R3 - 100 k - resistores (marrón, negro, amarillo)
B1 - 1,5 ó 3 V - 1 o 2 pilas pequeñas
P1 - Punta de prueba (ver texto)
G1 - Garra cocodrilo
Varios: placa de circuito impreso, soporte para una o dos pilas, caja para montaje, hilos, soldadura, etc.





