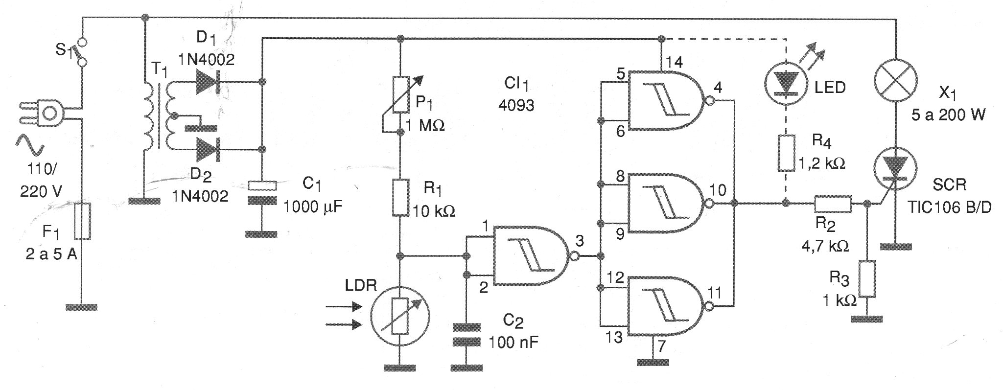
La acción rápida de conmutación del 4093 ayuda a obtener un circuito de interruptor nocturno que no se vuelve inestable cuando en el umbral del accionamiento, provocando oscilaciones del brillo de la lámpara.
Este circuito está destinado exclusivamente al control de lámparas incandescentes hasta 200 W y tiene su sensibilidad ajustada en P1.
Para el montaje sugerimos la placa de circuito impreso mostrada en la figura 2.
El sensor es un LDR común que debe instalarse de modo que no reciba iluminación de la propia lámpara que controla. Si esto no se observa, tendremos oscilaciones que instabilizan el circuito.
El ajuste del punto de disparo se realiza en P1 que tanto puede ser un pote como un trimpot.
El transformador utilizado es del mismo tipo que sugerimos en el circuito anterior, lo mismo ocurre con el SCR. El SCR debe estar dotado de radiador de calor.
También en este caso, tenemos dos sectores con alimentaciones de baja y alta tensión. No deje ninguna parte de estos circuitos expuestos pues tienen puntos de conexión con la red de energía, pudiendo causar choques en los que los toque.
La finalidad de C2 es dotar al circuito de cierta inercia evitando que conmute con destellos de luz como los que ocurren en una tormenta por la noche o sombra, si un objeto pasa rápidamente delante del sensor. El valor de este componente puede incrementarse según las necesidades.
Lista de material
Semiconductores:
CI-1 - 4093 - circuito integrado CMOS
SCR - TIC106B o D - SCR según la red de energía
D1, D2 - 1N4002 - diodos rectificadores
LED - LED rojo común (opcional)
Resistores: (1/8 W, 5%)
R1 - 10 k ohms - marrón, negro, naranja
R2 - 4,7 k ohms - amarillo, violeta, rojo
R3 - 1 k ohms - marrón, negro, rojo
R5 - 1,2 k ohms - marrón, rojo, rojo (opcional)
P1 - 1 M ohms - trimpot o pote
Capacitores:
C1 - 1 000 uF x 16 V - electrolítico
C2 - 100 nF a 470 nF - poliéster o cerámico
Varios:
T1 - Transformador con primario según la red local y secundaria de 7.5+ 7,5 V o 6 + 6 V y corriente entre 50 y 300 mA.
X1 - 5 a 200 W - lámpara incandescente común
S1 - Interruptor simple
LDR - LDR redondo común de cualquier tamaño
F1 - 2 a 5 A - fusible
Placa de circuito impreso, radiador de calor para el SCR, soporte de fusible, cable de fuerza, caja para montaje, zócalo para la lámpara, hilos, soldadura, etc.





