Los radios AM simples son proyectos que fácilmente son desarrollados por principiantes y estudiantes. Lo que proponemos aquí es una sugerencia para lectores menos experimentados, que aún no tienen seguridad suficiente para enfrentar montajes de radios más complejas, que exijan ajustes y que tengan componentes críticos.
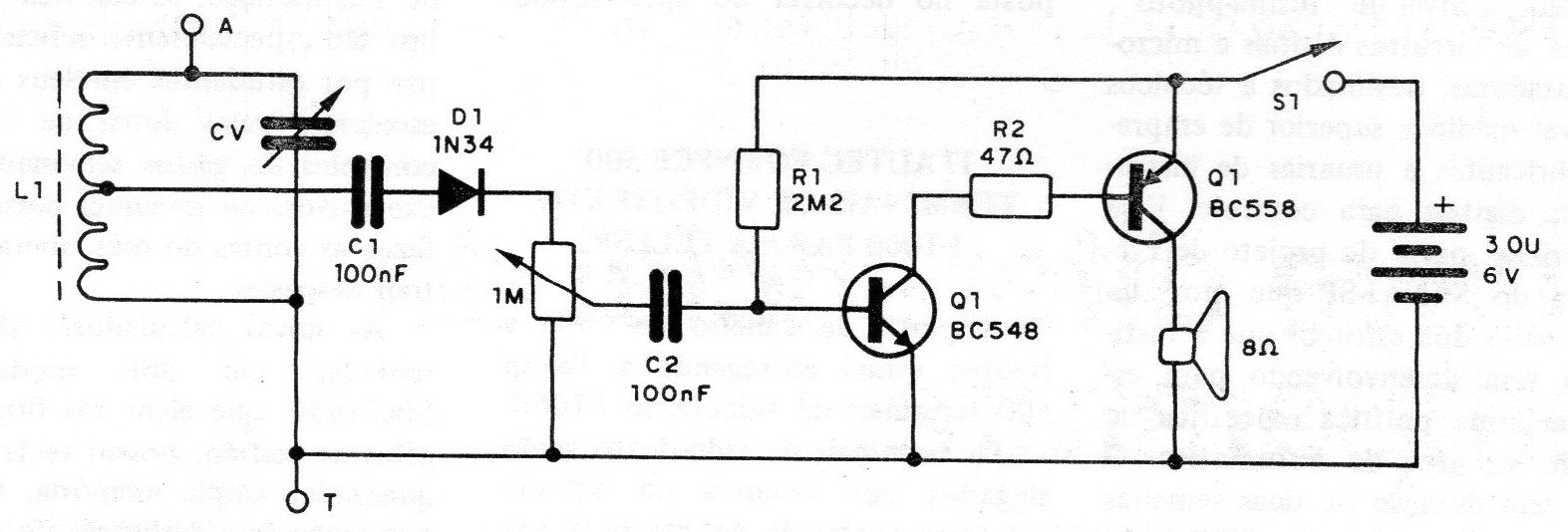
El circuito de la figura 1 muestra que se trata de una radio de amplificación directa, es decir, luego de la detección en el circuito de sintonía la señal de audio es amplificada por dos transistores.
Los transistores usados son complementarios de uso general, y el altavoz de 8 ohmios proporciona una calidad de sonido razonable dentro de las limitaciones del diseño.
La alimentación puede realizarse con tensión de 3 o 6 V, que corresponden a dos o cuatro pilas pequeñas, ya las estaciones más débil se recomienda la utilización de una antena externa y de una buena conexión a tierra.
El potenciómetro P1 funciona como control de volumen. Si el lector desea eliminar este componente, basta con hacer la conexión directa de D1 en la base de Q1 (terminal del medio).
En la figura 2 damos el montaje hecho en una barra de terminales.
La variable es del tipo utilizado en radios transistorizadas, quedando uno de los terminales libres.
La bobina está formada por 80 vueltas de alambre esmaltado 28, o cerca de este calibre, en un bastón de ferrita de aproximadamente 1 cm de diámetro.
Los resistores son todos de 1/8 o ¼ W, de cualquier tolerancia y los condensadores son cerámicos de 82, 100 o incluso 120 nF, si bien en el diagrama están dados los valores medios de 100 nF.
Una característica interesante de este radito es su bajo consumo de corriente que hace que las pilas duren bastante.
Nota: para cobertura mayor de la banda de ondas medias, interconecte los terminales extremos del condensador variable.





