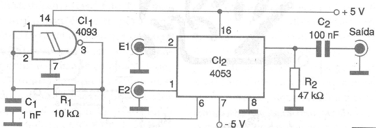
Este simple diseño es de un mezclador digital con el circuito integrado CMOS 4053. La conmutación de las entradas es hecha por un circuito oscilador cuya frecuencia está por encima del límite audible.
De esta forma, la conmutación entre los dos canales que se mezclan no es audible y no afecta la señal de salida. La alimentación puede ser hecha con una fuente simétrica con tensiones de 5 a 12 V y los cables de entrada y salida de señal deben ser blindados.
Como el consumo es muy bajo, el circuito puede ser alimentado por pilas comunes.
En la figura 1temos el diagrama completo del mezclador.
En la figura 2 tenemos una sugerencia de placa de circuito impreso.
Una sugerencia consiste en agregar potenciómetros de 100k en las entradas para poder controlar la mezcla de las señales. Un capacitor de 100 nF en serie con cada uno ayuda en el aislamiento DC.





