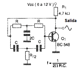
Los osciladores de doble-T consisten en una solución simple para generar señales senoidales de bajas frecuencias, hasta unos 10 kHz típicamente.
Estos circuitos también se pueden utilizar para generar oscilaciones amortiguadas para que R / 2 sea reemplazado por un trimpot del mismo valor.
En el caso de oscilaciones amortiguadas, el estímulo para su producción puede ser aplicado a la base del transistor a través de un condensador o un diodo.
En la figura 1 tenemos entonces la configuración básica de un oscilador de doble-T.

Los valores típicos de R están entre 100 k y 150 k ohms y para los capacitores (C) valores entre 4,7 nF y 470 nF pueden ser usados.
Observe la necesidad de que los componentes del doble T mantengan las relaciones de valores indicadas en el diagrama.
La fórmula que permite calcular la frecuencia en función de los componentes de la doble T también se da junto al diagrama, para facilitar el desarrollador.
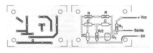
Una placa de circuito impreso para el montaje del oscilador se muestra en la figura 2, si se utiliza aisladamente.

Lista de material
Q1 - BC548 o equivalente - transistores NPN de uso general
R1 - 4,7 k ohms o 5,6 k ohms x 1/8 W - resistor
R - 100 k ohms - resistores - ver texto
C - 4,7 nF a 470 nF - capacitores - ver texto
Varios:
Placa de circuito impreso, hilos, soldadura, fuente de alimentación, etc.



