Existen aplicaciones en las que la rampa generada por un oscilador de relajación no puede ser usada por ser exponencial.
De hecho, la carga de un capacitor a través de un resistor sigue una curva exponencial.
Sin embargo, es posible modificar un circuito de carga de un capacitor haciendo que el resistor sea sustituido por una fuente de corriente constante y con ello la rampa generada sea lineal.
Un circuito de este tipo puede servir de base de tiempo para visualización de formas de onda y muestreos con mucha mayor precisión que la rampa generada por un RC común.
Es justamente esta solución que presentamos con base en el conocido circuito 555 y que se muestra en la figura 1.
El transistor puede ser el BC558 o equivalente y la frecuencia máxima de operación es del orden de 100 kHz para el 555.
El capacitor C2 y el resistor R1 eventualmente deben ser alterados para obtener la mejor linealidad.
La forma de onda de la señal generada por este circuito se muestra en la figura 2.

El disparo del circuito y hecho con la transición negativa de la señal de entrada. Finalmente, una resistencia de 10k a 47 k debe conectarse entre la entrada de disparo y el positivo de la alimentación.
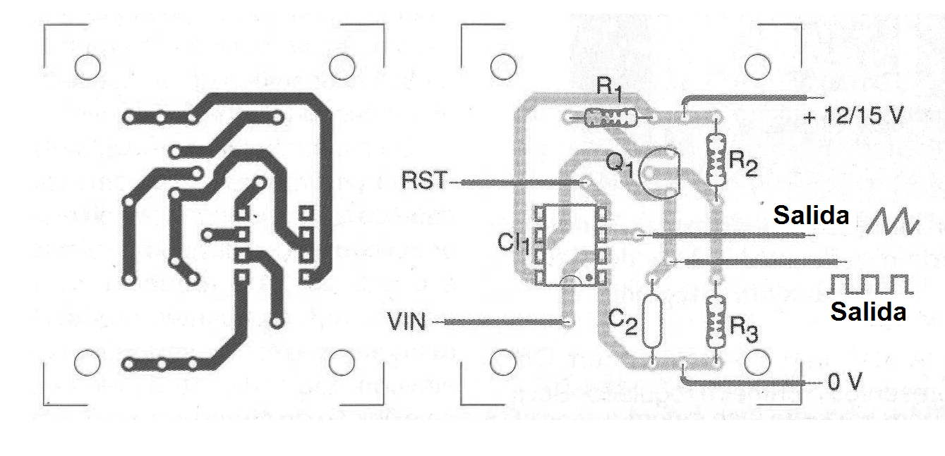
En la figura 3 tenemos una sugerencia de placa de circuito impreso para la implementación de este generador lineal de rampa.
LISTA DE MATERIAL
CI-1 - 555 - circuito integrado, temporizador
Q1 - BC558 o equivalente - transistores PNP de uso general
C1, C2 - 10 nF - capacitores cerámicos o poliéster
R1 - 10 k ohms x 1/8 W - resistor
R2 - 39 k ohms x 1/8 W - resistor
R3 - 100 k ohms x 1/8 W - resistor
Varios:
Placa de circuito impreso, fuente de alimentación, hilos, soldadura, etc.





