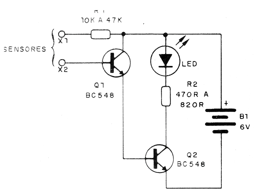
El circuito presentado sirve para demostrar el principio de funcionamiento de los interruptores de toque. Cuando tocamos en dos hilos o dos planchas usadas como sensores, el LED del circuito se enciende. La alimentación se realiza con pilas comunes y en ausencia de tacto el consumo es muy bajo.
Los dos transistores usados en este circuito amplifican la corriente de modo que incluso una corriente muy baja que circule por el sensor es suficiente para encender el LED. En la figura 1 tenemos el circuito completo del sensor.
El montaje se puede realizar en la matriz de contactos o en un pequeño puente de terminales. La figura 2 muestra cómo hacer el montaje en un puente de terminales.

Los sensores pueden ser las propias puntas de los hilos descascados o aún dos planchas de metal que deben ser tocadas simultáneamente.
Lista de material
Q1, Q2 - BC548 o equivalentes - transistores NPN de uso general
LED-LED común de cualquier color
R1 - 10 k ohms x 1/8 W - resistor - marrón, negro, naranja
R2 - 470 ohms x 1/8 W - resistor - amarillo, violeta, marrón
B1 - 6 V - 4 pilas
Varios: puente de terminales, soporte de pilas, hilos, soldadura, etc.




