Este transmisor puede generar señales telegráficas que se recibirá en una radio AM común, Con una antena de 2 a 3 metros el alcance llegará a algunas decenas de metros. Recordamos que en esta banda, para obtener un alcance de cientos de metros necesitamos mucha más potencia y una buena antena.
El circuito es experimental, transmitiendo señales telegráficas que son codificadas por un manipulador. Así, un toque corto representa un punto y un tacto largo un rastro. La combinación de puntos y trazos resulta en letras, números y otros símbolos según el Código Morse.
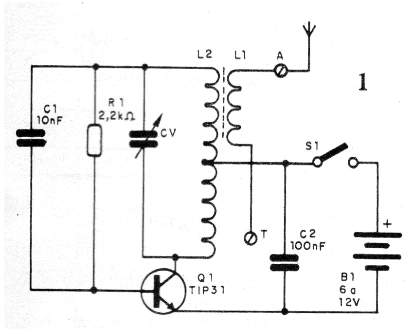
Podemos utilizar este circuito en demostraciones y para entrenamiento de telegrafía. En la figura 1 tenemos su diagrama.
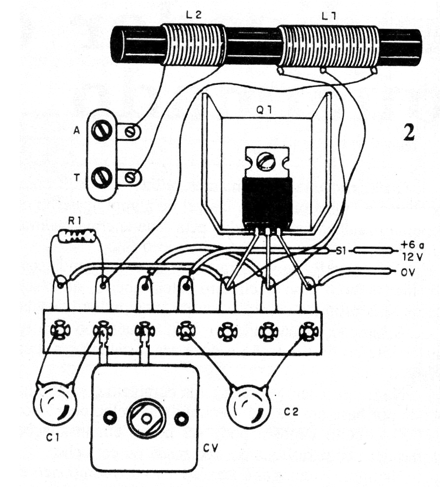
La disposición de los componentes en un puente de terminales se da en la figura 2.
Para mayor potencia se puede alimentar el circuito con 12 V obtenidos de pilas grandes o fuente. El transistor debe estar dotado de un radiador de calor.
Para el rango de ondas medias L1 se compone de 40 + 40 espiras de hilo 28 en un bastón de ferrita y L2 20 espiras sobre L1. Se puede reducir el número de espiras para operación en ondas cortas.
El capacitor variable puede obtenerse de una radio AM fuera de uso.
Lista de Material:
Q1 - TIP31 - transistores NPN de potencia
L1, L2- bobinas, ver texto
CV - variable para AM
S1 - Manipulador telegráfico
B1- 6 a 12 V - pilas o fuente
R1 - 2,2 k ohms - resistor - rojo, rojo, rojo
C1- 10 nF - capacitor cerámico
C2- 100 nF- capacitor cerámico
Varios:
Puente de terminales, soporte de pilas o fuente, radiador para el transistor, bastón de ferrita, antena (hilo largo), caja para montaje, hilos, soldadura, etc.





