La finalidad de este circuito es generar una señal que puede ser captada entre los canales 2 y 5 de un televisor analógico común, y eventualmente con menor intensidad, entre los canales 7 y 13.
Con esto, usted puede acercarse a un televisor a una distancia de 3 o 4 metros y conectar su generador, provocando una interferencia que hace que la imagen de un programa desaparezca o aún se produzcan barras en la pantalla.
El efecto depende de la señal de la estación que se está interfiriendo.
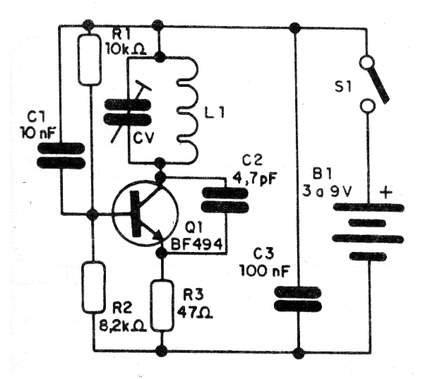
El generador también se puede utilizar para probar el funcionamiento de un televisor cuando no hay estaciones cercanas. En la figura 1 tenemos el diagrama completo del generador.

La disposición de los componentes en un puente de terminales se muestra en la figura 2.

La bobina está formada por 3 o 4 espiras de hilo común con un diámetro de 1 cm sin núcleo. El trimmer antiguo de porcelana, mostrado en la figura 2, puede ser sustituido por un tipo moderno de plástico y su valor no es crítico, pudiendo quedar entre 15 y 40 pF de capacitancia máxima.
Los capacitores deben ser cerámicos y la alimentación puede realizarse con tensiones de 3 a 9 V. Un cable de 15 a 30 cm puede ser conectado al colector del transistor, funcionando como antena.
Lista de material
Q1- BF494 - transistores NPN de RF
S1- Interruptor simple - opcional
B1- 3 a 9 V- pilas o batería
L1- Bobina- ver el texto
CV - trimmer - ver el texto
C1- 10 nF- capacitor cerámico
C2- 4,7 pF- capacitor cerámico
C3 - 100 nF- capacitor cerámico
R1- 10k ohms x 1/8 W - resistor - marrón, negro, naranja
R2 - 8,2 k ohms x 1/8 W-resistor - gris, rojo, rojo
R3 - 47 ohms x 1/8 W-resistor - amarillo, violeta, negro
Varios:
Puente de terminales, soporte de pilas o conector de batería, hilos, soldadura, etc.



