Este circuito genera una señal de pequeña potencia en el rango superior de la gama de VHF. La señal se puede captar en un receptor apropiado a unos metros e incluso en un televisor de VHF entre los canales 11 y 13.
En un televisor común la señal, por no ser modulada, hará que la pantalla quede oscura y eventualmente con que el programa captado sea alterado. Una aplicación de este circuito es como base para un generador de prueba de TV, ya que la modulación con audio genera barras horizontales.
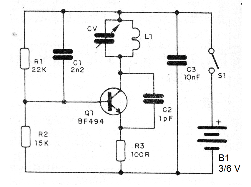
En la figura 1 tenemos el diagrama completo del oscilador y en la figura 2 el montaje en una pequeña placa de terminales. El trimmer original de porcelana puede ser cambiado por un equivalente plástico moderno.
La bobina L1 que determina la frecuencia, consiste en 1 espira de hilo 22 AWG sin forma de aproximadamente 1 cm de diámetro. El trimmer puede ser de 10 a 20 pF de capacidad máxima. Posteriormente puede ser sustituido por un capacitor cerámico de 1 a 2,2 pF.
No recomendamos otra técnica de montaje, por tratarse de un circuito de frecuencia muy elevado. Una pequeña antena de 10 a 15 cm puede conectarse al colector del transistor.
Lista de material
Q1 - BF494 - transistores NPN de RF
CV-trimmer de 10 a 10 pF - ver texto
L1- bobina - ver el texto
B1- 3 o 6 V- 2 o 4 pilas pequeñas
S1- Interruptor simple
R1 - 22k ohms x 1/8 W - resistor - rojo, rojo, naranja
R2 - 15k ohms x 1/8 W-resistor - marrón, verde, naranja
R3 - 100 ohms x 1/8 W - resistor - marrón, negro, marrón
C1- 2n2 - capacitor de cerámica
C2 - 1 pF - capacitor de cerámica
C3 - 10 nF- capacitor cerámico
Varios: placa de circuito impreso, soporte de pilas, caja para montaje, hilos, soldadura, etc.





