Un integrado y un transistor dan a este receptor excelente sensibilidad para la recepción de estaciones locales de ondas medias, con tensiones tan bajas como 1,2 V, siendo un proyecto ideal para alimentación con fuentes alternativas, incluso nuestra célula solar.
El circuito fue originalmente diseñado para operar con una célula de 1,2 V, pero funcionará con cualquiera hasta 3,0 V.
El ZN414 (*) es un circuito integrado dedicado que consiste en una radio completa de ondas medias (150 kHz a 3 MHz) para alimentación con baja tensión, siendo ideal para proyectos ultracompactos o que involucran energía alternativa.
(*) Componente poco común actualmente en nuestro mercado
De hecho, el envoltorio del ZN414 es el mismo que el conocido transistor BC548, incluso con tres terminales, lo que posibilita su utilización en proyectos increíbles como el que damos. (figura 1)

Las radios en llaveros y relojes o incluso embutidos en auriculares se pueden hacer de manera sencilla con este integrado que incluye un paso de entrada con FET y diversas entradas amplificadoras de alta ganancia.
Nuestro proyecto pretende aprovechar la baja tensión de la célula solar en un receptor de ondas medias que pueda ser usado en situaciones de emergencia.
Con el ZN414 como base además de conseguirlo con facilidad tenemos la ventaja de no necesitar de antena externa y tener buena sensibilidad aliada a una buena selectividad.
Las características del ZN414 son:
- Rango de tensiones de alimentación: 1,2 / 1,6 V
- Corriente de alimentación: 0,3 mA (típico) y 0,5 mA bajo señales fuertes
- Rango de frecuencia de funcionamiento: 150 kHz a 3 MHz
- Resistencia de entrada (tip): 4M
- Sensibilidad de 1,3 V de alimentación: 50 uV
- Distorsión de audio: menor que 2%
- La Selectividad: 4kHz
- Ganancia de potencia: 72 dB
- Salida: 30 mV rms
COMO FUNCIONA
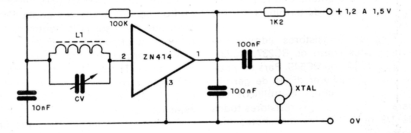
El ZN414 es un receptor completo que necesita muy pocos componentes externos para operar. Estos componentes básicamente son el circuito de sintonía formado por una bobina (L1) y una variable (CV), un resistor de polarización y un capacitor de desacoplamiento.
En la salida necesitamos simplemente un resistor de carga y un capacitor de desacoplamiento.
Como la salida es de muy baja intensidad, esta configuración sólo puede excitar un auricular de cristal, como en el circuito de la figura 2.
Sin embargo, incluso este circuito es de bajo volumen, de modo que, con disponibilidad de un poco más de energía, podemos añadir un paso amplificador transistorizado.
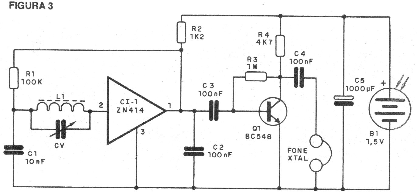
En nuestro caso usamos un solo transistor NPN de uso general que aumenta bien la intensidad del sonido (ganancia 500 aproximadamente) con la obtención de mejor sonido en el auricular.
Como el transistor es un dispositivo de media impedancia de salida no podemos todavía excitar un altavoz.
El auricular recomendado es, pues, de cristal. Otros tipos de auriculares no funcionarán.
El consumo de corriente de esta radio es muy bajo, lo que permite la utilización de una célula incluso con niveles relativamente pequeños de iluminación.
MONTAJE
Comenzamos por dar el diagrama completo de la radio en la figura 3.
La placa de circuito impreso muy compacta se muestra en la figura 4.
L1 consiste en 80 vueltas de hilo 30 en un bastón de ferrita de 5 a 1ocm de longitud con diámetro entre 0,5 y 1 cm.
La variable es común para las ondas medias de 180 a 360 pF. Los resistores son de 1/8 y ¼ W y los capacitores son disco de cerámica. El transistor puede ser cualquier NPN de uso general con buena ganancia, como los BC238, BC239, BC548 o BC549.
El electrolítico de entrada de la fuente para el filtrado de eventuales ruidos es de 1 000 uF x 3V o más.
El auricular debe ser de cristal, ya que otro tipo no funcionará.
En consecuencia, con menor ganancia se puede utilizar un auricular de baja impedancia (tipo walkman) con un transformador de salida de al menos 1k de primario, conectado como muestra la figura 5, en lugar de resistencia de carga de colector del transistor.
OPERACIÓN
Para utilizar la radio, basta con iluminar la celda con la luz fuerte de una lámpara o bien luz solar directa y sintonizar en CV las estaciones deseadas.
El aparato no funcionará bien con luz de lámparas fluorescentes o fuente de muy baja intensidad.
Un capacitor de al menos 4700 uF, en lugar del electrolítico de 1 000 uF, permite la formación de "depósito de energía" que mantendrá la radio en funcionamiento incluso cuando ocurran sombras por algunos momentos.
LISTA DE MATERIAL
CI-1 - ZN414 - circuito integrado - (radio)
Q1 - BC548 o equivalente - transistores NPN
L1 - bobina (ver texto)
CV - variable (ver texto)
B1 - célula solar de 1,8 V X 500 mA
C1 - 10 nF - capacitor de cerámica
C2, C3 - 100 nF - capacitores cerámicos
C4 - 47 a 100 nF - capacitor de cerámica
C5 - 1000 uF .x 3 V - capacitor electrolítico
R1 - 100 k - resistor (marrón, negro, amarillo)
R2 - 1k2 - resistor (marrón, rojo, rojo)
R3 - 1 M - resistor (marrón, negro, verde)
R4 - 4k7 - resistor (amarillo, violeta, rojo)
Varios: placa de circuito impreso hilos, soldadura, auricular cristal, caja para montaje etc.







