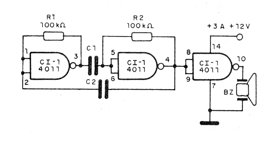
Este oscilador de audio alimenta directamente un transductor piezoeléctrico o cápsula de cristal produciendo un tono continuo que depende de los valores de los capacitores usados. Estos condensadores pueden tener valores entre 10 nF y 1 uF.
El circuito puede ser alimentado por pilas, batería o fuente y su consumo es muy bajo. Podemos usarlo en pequeñas alarmas, sistemas de aviso o llamada o juguetes. El circuito también funcionará con el CMOS 4011. En la figura 1 tenemos el diagrama completo del oscilador.
El montaje se puede realizar en una matriz de contactos o en una pequeña placa de circuito impreso con el patrón mostrado en la figura 2.

El circuito también se puede utilizar con un buen inyector de señales, ya que las señales rectangulares generadas son ricos en armónicos.
Lista de material
CI1 -4011 - circuito integrado CMOS
BZ - Transductor cerámico
C1 y C2- 10 nF a 1 uF- capacitores de poliéster o cerámicos
R1 y R2- 100 k ohms x 1/8 W - resistor - marrón, negro, amarillo
Varios: placa de circuito impreso, hilos, soldadura, etc.




