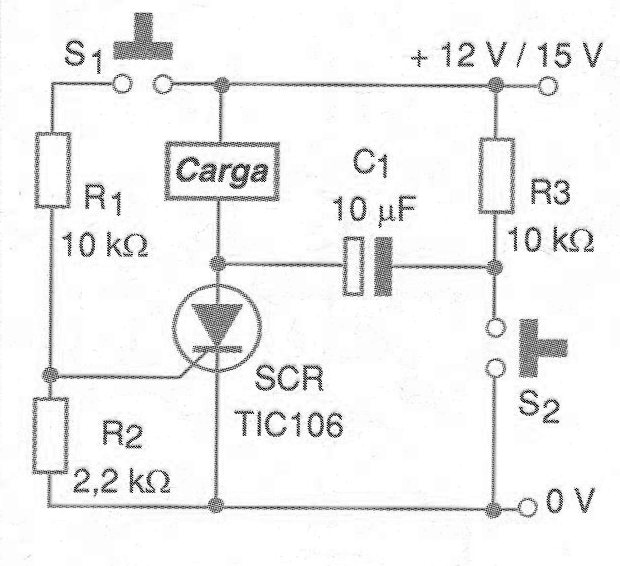
En los circuitos de corriente continua los SCRs, para ser desconectados, necesitan tener su alimentación cortada o aún tener su ánodo y cátodo cortocircuitados para que la tensión entre ellos caiga a un valor suficientemente bajo para cortar la corriente.
En el circuito mostrado en la figura 1 hacemos el accionamiento del circuito presionando por un momento S1.
El apagado se hace presionando S2 cuando, la corriente de descarga del condensador cortocircuite el SCR apagándolo.
Se trata de un eficiente medio de desconectar remotamente circuitos de corriente continua alimentados por SCR.

Para un TOC106 la corriente máxima recomendada es del orden de 3 A. Recordamos que existe una caída de tensión de aproximadamente 2 V en el SCR que debe ser compensada en la alimentación.
El SCR necesita un radiador de calor y la tensión de funcionamiento del condensador debe ser mayor que la usada en la alimentación.
En la figura 2 tenemos una sugerencia de placa de circuito impreso para la implementación de este mini proyecto.
LISTA DE MATERIAL
SCR - TIC106 - diodo controlado de silicio
C1 - 10 uF x 16 V - capacitor electrolítico
R1, R3 - 10 k ohms x 1/8 W - resistor
R2 - 2,2 k ohms x 1/8 W - resistor
S1, S2 - Interruptores de presión NA
Varios:
Placa de circuito impreso, radiador de calor para el SCR, hilos, soldadura, etc.




