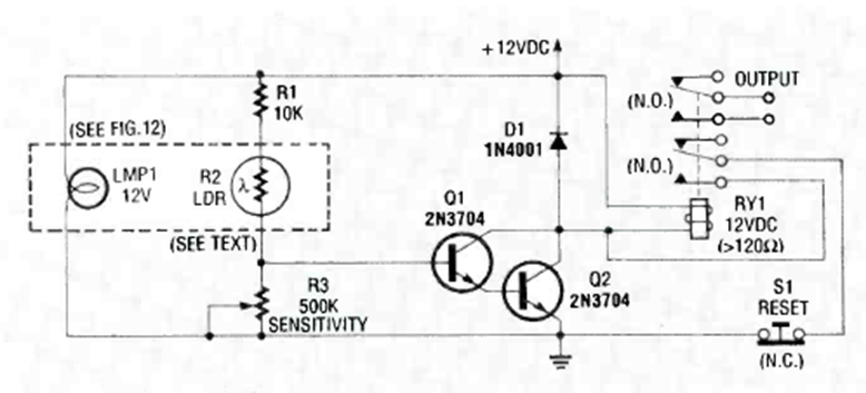
Este circuito se encontró en el Electronics Experimenter Handbook de 1991. Activa un relé cuando la luz incide sobre un sensor.
Con pocas resistencias podemos obtener muchos valores para experiencias, cambiando la manera de...
Esta alarma emplea sólo tres componentes: un juego de pilas, un relé y un interruptor de presión que...
Un tipo de fuente de alimentación bastante simple y útil es la que no hace uso del transformador....