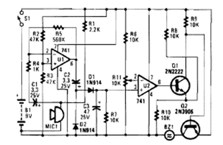
Esta sirena de alarma se encontró en el volumen 5 de la Enciclopedia de Circuitos Electrónicos de 1995. El circuito alimenta un zumbador.
Una forma de obtener una señal de frecuencia exacta es con el uso de un oscilador controlado por cristal...
El circuito mostrado en la figura 1 acciona un relé un cierto tiempo después de cerrar la llave...
Podemos mostrar cómo funciona un amplificador operacional montando un simple circuito con el 741....