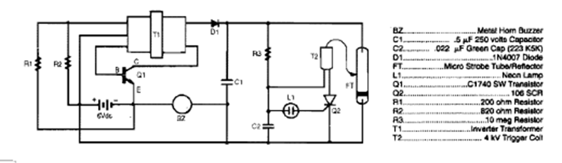
Este circuito, que se encuentra en la Enciclopedia de Circuitos Electrónicos, volumen 5 de 1995, utiliza un transformador. El circuito alimenta un transformador que produce 200 V para una lámpara de xenón.
Tanto en la radio simple transistorizada como con válvula que vimos en los proyectos 204S e 205S,...
Muchos equipos de sonido tienen un LED que parpadea al ritmo de la música. Usted puede incorporar un...
El circuito presentado en la figura 1 se dispara cuando la luz que incide sobre el LDR es cortada....