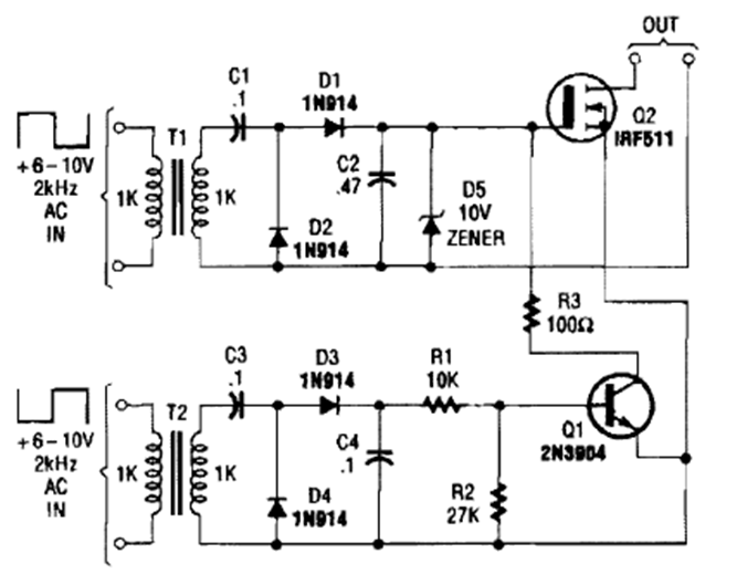
Este circuito conmuta cargas de potencia mediante señales de audio. El circuito es de una Popular Electronics de los años 90. Los componentes se pueden cambiar según la señal utilizada.
Con pocas resistencias podemos obtener muchos valores para experiencias, cambiando la manera de...
Esta alarma emplea sólo tres componentes: un juego de pilas, un relé y un interruptor de presión que...
Un tipo de fuente de alimentación bastante simple y útil es la que no hace uso del transformador....