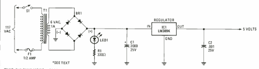
Éste es uno de los muchos usos posibles de los reguladores integrados. Esta fuente de alimentación para experimentador del Electronics Experimenter Special Projects de 1981 utiliza un transformador de un solo devanado con rectificación de puente.
Con pocas resistencias podemos obtener muchos valores para experiencias, cambiando la manera de...
Esta alarma emplea sólo tres componentes: un juego de pilas, un relé y un interruptor de presión que...
Un tipo de fuente de alimentación bastante simple y útil es la que no hace uso del transformador....